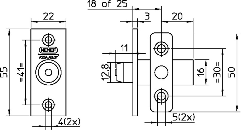
INSTEEKGRENDEL F1 25MM VOOR STERSLEUTEL 2603/4

Artikelnummer: 0343155

Merk: Nemef

  • doornmaat: 25 mm
  • materiaal: aluminium
  • bewerking (fabricage, afwerking): geanodiseerd
  • kleur: F-1 (naturel)
  • draairichting (DIN): links en rechts

Meer informatie

Omschrijving

INSTEEKGRENDEL F1 25MM VOOR STERSLEUTEL 2603/4

Toepassing:
Extra beveiliging voor ramen

Voordelen:
  • Links en rechts bruikbaar
  • Afsluitbaar door middel van sterstiftsleutel S 2603

Kenmerken:
  • F1 geëloxeerd rozet, voorplaat en buisstuk
  • Zamac verzinkte schoot met zaagbelemmeringv· Zamac vernikkelde sluitpot
  • Inclusief afdekrozet, sluitpot en schroeven
  • Ook leverbaar in blisterverpakking
  • 2 jaar garantie

Extra bij te bestellen:
Sterstiftsleutel S 2603
Kenmerken

INSTEEKGRENDEL F1 25MM VOOR STERSLEUTEL 2603/4

  • doornmaat: 25 mm
  • materiaal: aluminium
  • bewerking (fabricage, afwerking): geanodiseerd
  • kleur: F-1 (naturel)
  • draairichting (DIN): links en rechts