D+N PC ANTI-PANIEKSLOT+ WS EX SLUITPL 669/46KV

Artikelnummer: 0323643

Merk: Nemef

  • model (slot/vergrendeling): insteekcilinderslot
  • anti-paniek (ja/nee): ja
  • draairichting (Europese NEN-EN): 3
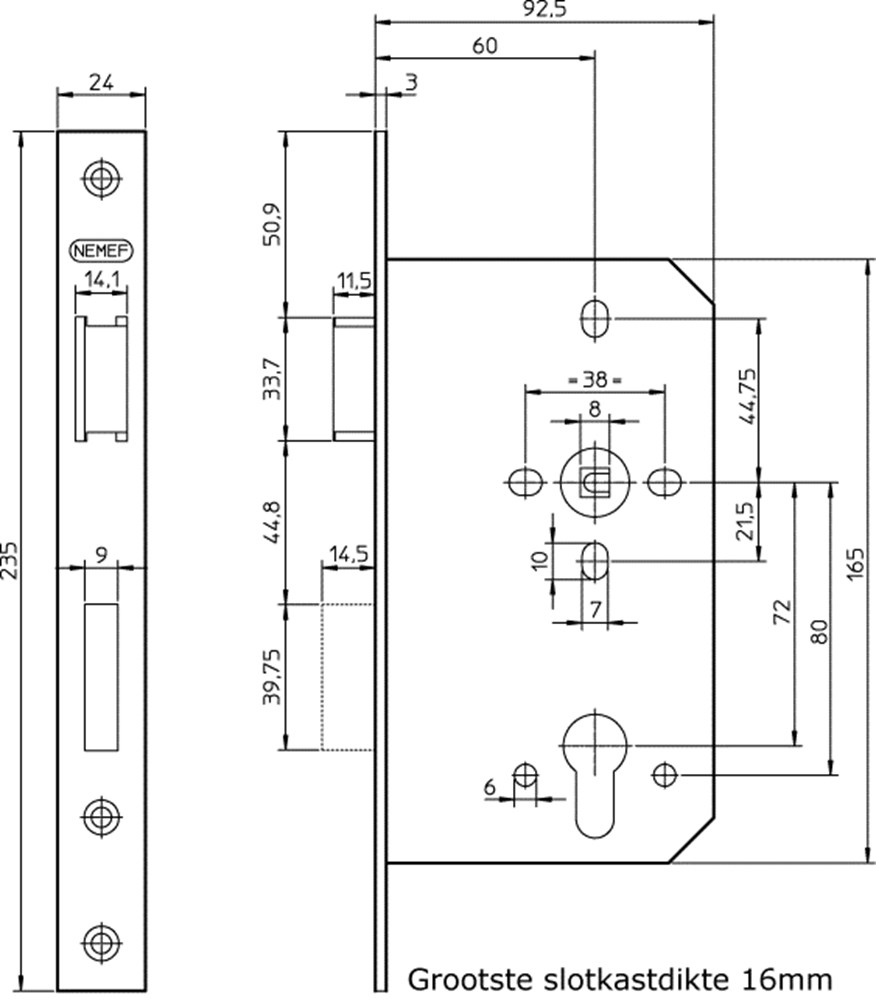
  • steekmaat: PC 72
  • doornmaat: 60 mm
  • aantal (toeren): 1-toers
  • cilindersparing: 17 mm
  • materiaal (slotkast): messing;rvs
  • model (voorplaat): rechte hoek(en)
  • materiaal (voorplaat): rvs
  • lengte (voorplaat): 235 mm
  • breedte (voorplaat): 24 mm
  • materiaal (dagschoot): messing
  • materiaal (nachtschoot): messing
  • verpakt per: 1 st

Meer informatie

Omschrijving

D+N PC ANTI-PANIEKSLOT+ WS EX SLUITPL 669/46KV

Toepassing
  • Geschikt voor nooddeuren volgens EN179 in de utiliteitsbouw
  • Voor kruk-kruk toepassing
  • Alleen te combineren met EN179 geteste beslagen
  • Niet toepassen i.c.m. een knopcilinder

Specificaties
  • Uniforme slotkastafmeting met 600 serie
  • Anti-panieksluiting
  • Uitvoering met gedeelde tuimelaar
  • Links en rechts verschillend
  • Messing dagschoot
  • Messing nachtschoot
  • Rvs rechthoekige voorplaat, verder gelijk aan artikel 649/46
  • 1-toers
  • Gecertificeerd volgens EN 179, voorzien van CE markering
  • Leverbaar voor naar buiten- en naar binnendraaiende deuren
  • Wordt geleverd met bijpassende gedeelde vierkantstift 4918
Kenmerken

D+N PC ANTI-PANIEKSLOT+ WS EX SLUITPL 669/46KV

  • model (slot/vergrendeling): insteekcilinderslot
  • anti-paniek (ja/nee): ja
  • draairichting (Europese NEN-EN): 3
  • steekmaat: PC 72
  • doornmaat: 60 mm
  • aantal (toeren): 1-toers
  • cilindersparing: 17 mm
  • materiaal (slotkast): messing;rvs
  • model (voorplaat): rechte hoek(en)
  • materiaal (voorplaat): rvs
  • lengte (voorplaat): 235 mm
  • breedte (voorplaat): 24 mm
  • materiaal (dagschoot): messing
  • materiaal (nachtschoot): messing
  • verpakt per: 1 st
  • slotbediening: profielcilinder
  • binnen- buitendraaiend: naar buiten
  • draairichting (DIN): links
  • draairichting (Nederlandse NEN): rechts