Gebruikersnaam en/of wachtwoord vergeten?
Inlogcode aanvragen
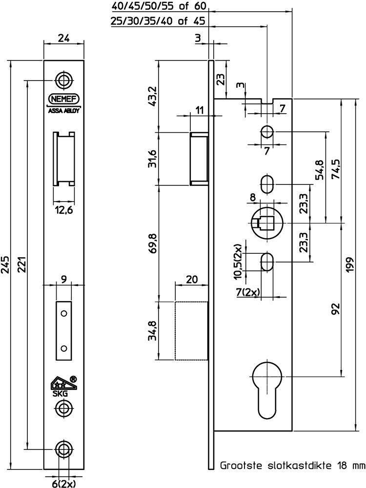
Artikelnummer: 0324461
Merk: NEMEF_YALE
Meer informatie